DKC / ДКС Монтажная пластина из оцинк. стали 349х260 мм, для коробок 392х298 мм

0

Артикул: 653016

Характеристики

Материал оцинкованная сталь
Назначение монтаж оборудования внутрь
ответвительных коробок.
Комплектация комплектуется забивными втулками и
винтами для крепления.
Серия Cosmec
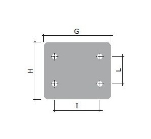
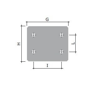
Высота, мм 349
Ширина, мм 260

Цена по запросу

Наличие по запросу

Способы доставки

  • Доставка по Пензе
  • Доставка по России (все города)
  • Самовывоз

Способы оплаты

  • Б/н оплата по счету