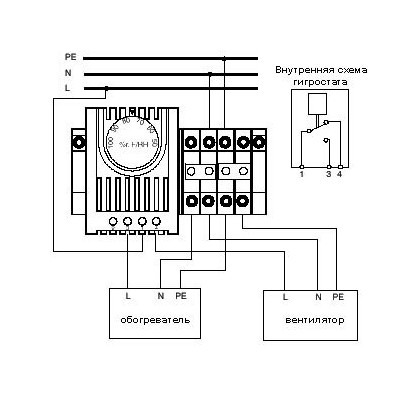
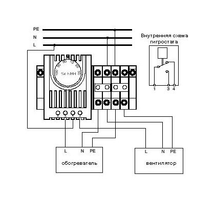
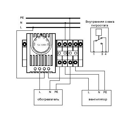
ZPAS Гигростат (SZB-75-00-00)( WN-0201-03-00-000)

0

Артикул: WN-0201-03-00-000/A

Характеристики

Цвет серый
Описание Электрическая регулировка влажности посредством включения / выключения системы вентиляторов, электрических обогревателей или модулей кондиционирования.

Цена по запросу

Наличие по запросу

Способы доставки

  • Доставка по Пензе
  • Доставка по России (все города)
  • Самовывоз

Способы оплаты

  • Б/н оплата по счету