DKC / ДКС Угол CDSD 90 вертикальный внешний переходник 90°, правый, основание 600мм, высота 50мм, в комплекте с крепежными элементами и соединительными пластинами

0

Артикул: 37508K

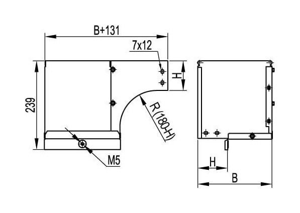
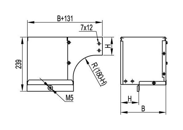
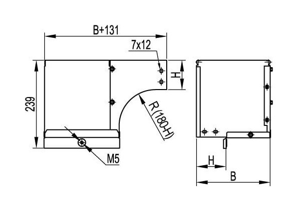
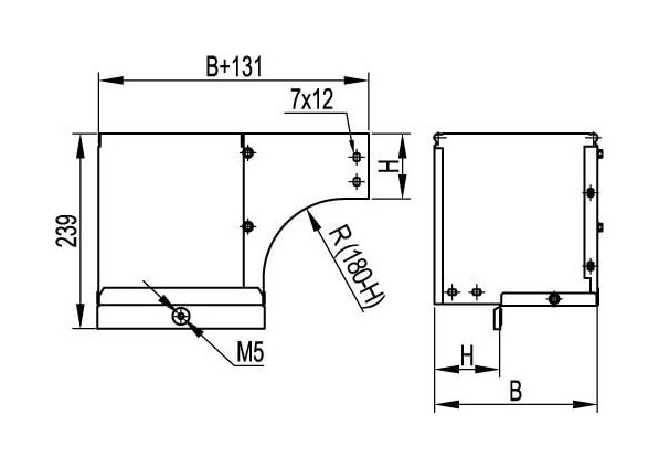
Лотки и аксессуары системы "S5 Combitech" применяются для построения кабельных трасс, в том числе сложного конструктива – с горизонтальными и вертикальными разворотами и изгибами. Вертикальный внешний угол CDSD используется для поворота кабельной трассы в вертикальной плоскости с разворотом открытой ее части на 90о вокруг своей оси. При этом плавный изгиб предотвращает повреждение кабеля при прокладке. Угол применяется с лотками шириной 600 мм и высотой 50 мм. Исполнение – "сталь, оцинкованная по методу Сендзимира". В комплект входят соединительные пластины и необходимые крепежные элементы.

Характеристики

Высота, мм 50
Ширина, мм 600
Материал сталь

Цена по запросу

Наличие по запросу

Способы доставки

  • Доставка по Пензе
  • Доставка по России (все города)
  • Самовывоз

Способы оплаты

  • Б/н оплата по счету